HOBO T-WNB-3D-240 3相三角洲/千瓦時變送器傳感器
價格咨詢:020-83501248 作者:HOBOlogger
發布時間:15/03/17 瀏覽次數:次,型號:T-WNB-3D-240- ,本頁關鍵詞:T-WNB-3D-240 ,http://www.rq1muh.cn/qianwashichuanganqi/T-WNB-3D-240-.html
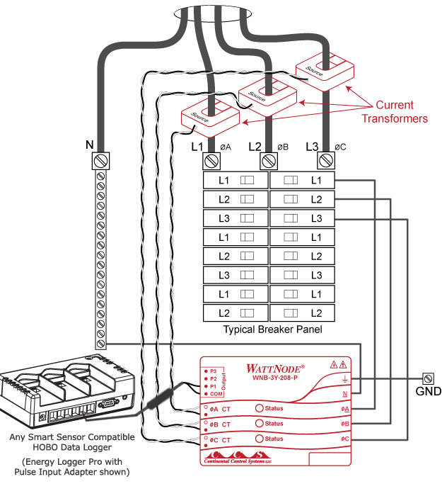
HOBO T-WNB-3D-240 3相三角洲/千瓦時變送器傳感器該WattNode提供了精確的測量以低成本來滿足您的分戶計量,凈計量,能源管理,并簽訂績效合同的應用需求。這WattNode三角洲連接千瓦時傳感器的工作原理與MAGNELAB交流電流互感器和脈沖輸入適配器以提供能源使用真有效值千瓦時,即使負載與非正弦波形。由于這些傳感器直接扎入行,就應該由合格的人員使用。這款機型支持208/240 VAC 3相三角洲連接。
產品特點
•措施1,2,或3相2,3或4線配置。
•使用與CT的廣泛的選擇(另售),5至1500安培評級。
•1-,2-,或3-三相配置的精確測量。
•易于安裝和接線。
•脈沖輸出 - 兼容脈沖輸入記錄器模式。
•體積小 - 可以安裝在現有的服務面板或接線盒。
•診斷LED - 確認正確安裝了所有階段。
•雙向計量 - 凈計量的PV(光伏),太陽能和風能發電,只有一米。
•變頻驅動器的計量。
•線路供電 - 無需外部電源。
•可拆卸端子塊 - 易于安裝和拆卸。
•UL,cUL認證 - 設計和測試的安全性和使用的整個北美。
•CE認證 - 可以在整個歐盟安裝。
產品參數
使用環境:室內
支持測量:千瓦時(千瓦時)
工作電壓范圍:±標稱20%
頻率:60赫茲
CT輸入:0-0.5 VAC工作,3 VAC最大
連接器:UL,CSA認可,可拆卸螺絲端子(14 AWG),600V
工作溫度范圍:-30〜60°C
工作濕度范圍:0〜90%RH,非冷凝
尺寸:8.5厘米X14.3厘米X3.8厘米
重量:295克
數據通道數:2
三角形或星形配置范圍:208,480伏交流電
1相2線208V(無中性)
1相2線240V(無中性)
1相3線120V / 240V
三相三線208V(無中性)
3相4線120V / 208V
精度:±讀數+ 0.05%FS,通過25次諧波0.45%
(依賴于所使用的CT和線路變動精度可以是1.5%至4%的讀數)

HOBO傳感器
HOBO產品配件
應用實例
視頻






